18HP '57 Johnson HELP! - A Matter of Pride!

noelfm58

Cadet
Joined
Aug 19, 2008
Messages
13
I need to know a brand name and part number for a replacement fuel pump for my 57 18HP Johnson. Someone posted information in this forum on how to fabricate an aluminum plate to do the job but there are no drawings or pictures - that would be a great help, if possible.

The bypass port cover on this outboard is quite small and I'm not sure a standard size fuel pump would fit on it. Before I drill holes into this plate, I must first find out the right replacement fuel pump to substitute for the old 2 hose fuel/air, missing pressurized fuel tank combo.

I know some of you out there have done this job and hope you may be able to help: please, tell me which of the thousands of fuel pumps available can I use to restore this baby. She puts out 90 Lbs on #1 and 91Lbs on #2, idles well, purrs like a kitten - if she's got some juice! The dealer said: "That motor will make a nice mailbox someday". Let's prove him wrong! Will any 60's to 70's 15-20 HP pump do the trick?
 

freddyray21

Commander
Joined
Jun 10, 2006
Messages
2,460
Re: 18HP '57 Johnson HELP! - A Matter of Pride!

btw your dealer doesn't know squat. Those are very good motors and very reliable. I've got a 53 15hp Evinrude we ran last weekend. 25 mph gps
 

jspringator

Chief Petty Officer
Joined
May 27, 2006
Messages
415
Re: 18HP '57 Johnson HELP! - A Matter of Pride!

Sounds like you have one of the early 18's which were produced as late as 1976 as a 20 hp and 25 hp. I have a 1975 25 hp (22 CID), which weighs 85 pounds. These motors have a great reputation.
 

samo_ott

Vice Admiral
Joined
Jun 18, 2006
Messages
5,125
Re: 18HP '57 Johnson HELP! - A Matter of Pride!

You can get the bypass cover from a '59 or later 18 and the plate and pump will screw right on.
 

freddyray21

Commander
Joined
Jun 10, 2006
Messages
2,460
Re: 18HP '57 Johnson HELP! - A Matter of Pride!

the original pump will screw right on and if the money were the same it's the way I would go. The oem pump will be a lot more money and no more dependable than the minkuni pump.
 

jbjennings

Captain
Joined
Jul 18, 2007
Messages
3,903
Re: 18HP '57 Johnson HELP! - A Matter of Pride!

I know you will be enjoying your future mailbox for years to come once you get that fuel pump going. Dealers probably don't like those 18's because they don't give their owners much of a reason to buy a new one. If I were a dealer, I'd hate them, too!:p
JBJ
 

asdasc

Senior Chief Petty Officer
Joined
Aug 28, 2008
Messages
681
Re: 18HP '57 Johnson HELP! - A Matter of Pride!

You can get the bypass cover from a '59 or later 18 and the plate and pump will screw right on.

I have 2 1959 18HP motors, but the covers don't look like they are set up to mount a pump on them. Can you confirm? Sorry for the bad picture, all I had was my cell phone.
 

Attachments

  • Fuel pump mount.jpg
    Fuel pump mount.jpg
    22.3 KB · Views: 0

fix_it

Seaman Apprentice
Joined
Aug 31, 2008
Messages
38
Re: 18HP '57 Johnson HELP! - A Matter of Pride!

I have a 1956 15 HP that became the 18 HP in 57. I converted mine with a fuel pump from a Briggs and Stratton 18 HP lawn mower engine. Some have used mikuni pumps. The lawn mower pump works fine for me. It has three ports: pulse, fuel in, and fuel out. The center hole in the cover is just the right size for an 1/8" pipe tap. Remove the cover, drill a 3/16" or 1/4" hole in the bottom of that round hole, so that it goes all the way through. No need to make it full size (but wouldn't hurt I guess). Then tap the hole with an 1/8" pipe tap. Get a hose barb fitting (90 degree will probably fit better, but I used a straight one) and put it in the freshly tapped hole. Hook that to the pulse port on the pump. Run a new hose from the fuel fitting to the fuel in port on the pump. Run a new hose from the carburetor to the fuel out port on the pump. Plug the hose going to the air side of the fuel connector. I reused the double hose connector, but if you don't have the tank side fitting, you will need to get a newer connector and hose assembly.

BTW why can't I use html to show pictures?
 

Attachments

  • evinrude_fuel_pump.jpg
    evinrude_fuel_pump.jpg
    83.6 KB · Views: 0
  • evinrude_fuel_connector.jpg
    evinrude_fuel_connector.jpg
    67 KB · Views: 0

F_R

Supreme Mariner
Joined
Jul 7, 2006
Messages
28,226

Attachments

  • Fuel Pump Mount for iboats.jpg
    Fuel Pump Mount for iboats.jpg
    89.3 KB · Views: 0

tmcalavy

Rear Admiral
Joined
Aug 29, 2001
Messages
4,005
Re: 18HP '57 Johnson HELP! - A Matter of Pride!

Nice job and pix, fix_it. Same plumbing scheme I used to fit my 57 E-rude BigTwin with a mikuni pump only mine is on the opposite side of the powerhead and I used a single-line connector. What type/number is that Briggs-Stratton pump? That info might come in handy some day.
 

samo_ott

Vice Admiral
Joined
Jun 18, 2006
Messages
5,125
Re: 18HP '57 Johnson HELP! - A Matter of Pride!

I have 2 1959 18HP motors, but the covers don't look like they are set up to mount a pump on them. Can you confirm? Sorry for the bad picture, all I had was my cell phone.

Dang, I thought it was '59, it must have been an option on mine then. It's '60 on then. Those '59's you have are dual line also then, right? Sorry.
 

asdasc

Senior Chief Petty Officer
Joined
Aug 28, 2008
Messages
681
Re: 18HP '57 Johnson HELP! - A Matter of Pride!

Yep, they are two line tanks. I have the whole two line setup for both that works, so I am not sure if I want to convert them or not.
 

1946Zephyr

Vice Admiral
Joined
Oct 21, 2008
Messages
5,556
Re: 18HP '57 Johnson HELP! - A Matter of Pride!

Yes, please. I am interested in that Briggs and Stratton pump number too. I have a 1954 Johnson 25 that I'm going to convert and this is the best way to convert it, without buying a different bypass cover.
 

jbjennings

Captain
Joined
Jul 18, 2007
Messages
3,903
Re: 18HP '57 Johnson HELP! - A Matter of Pride!

I bought 2 of 'em one time. I just went to the local small engine repair place and asked for a 3-line, pulse-vaccum fuel pump. they came back with just what I needed. they were made of plastic. Worked good, though.
JBJ
 

noelfm58

Cadet
Joined
Aug 19, 2008
Messages
13
Re: 18HP '57 Johnson HELP! - A Matter of Pride!

To all of you guys out there that responded, thanks a ton! Now I have to choose from two specific, and one generic fuel pumps to make my dream come true. I really expected some words of encouragment from the dealer (dumb me) but I'll settle for yours any day. As soon as I complete my pet project, I'll send you some pics with the results. P.S. yes samo_ott, we agree, the bypass port covers ARE small, but I am proceeding to drill, tap and discover what's on the horizon! Like I said, I'll let you know, and again, thanks a million. God Bless.

PS: KUDOS to FreddyRay, F_R, fix_it
 

noelfm58

Cadet
Joined
Aug 19, 2008
Messages
13
Re: 18HP '57 Johnson HELP! - A Matter of Pride!

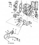
noelfm, I am the guy that makes adapter plates. If you are lucky enough to have a bypass cover like #11 in this picture, you are all set and don't need an adapter. Just drill and tap the holes.

No such luck! If you will notice, the top plate has the "bumps" where the thread for the pump's mounting screws go and also the vaccum hole in the middle. The bottom plate does not have the same features as the top one.
My '57 outboard has two identical plates - as the bottom one in your diagram.

It's ok because I have enough info and illustrations (thanks to fixit's pics) on how to drill and tap the plate to get'er goin'.
 

fix_it

Seaman Apprentice
Joined
Aug 31, 2008
Messages
38
Re: 18HP '57 Johnson HELP! - A Matter of Pride!

Sorry for the delay. According to the Briggs and Stratton web site, that fuel pump is PN 808656. Any lawn mower repair shop should have it or at least be able to get it. It is used on MANY different engines up to around 18 HP at least. This pump is not rebuildable, but the whole pump cost about the same as a rebuild kit for the OMC pump. I just used it because I already had it on hand. Hope this helps.

Here is a link to one on the net: http://www.mfgsupply.com/m/c/22----10875.html
 

1946Zephyr

Vice Admiral
Joined
Oct 21, 2008
Messages
5,556
Re: 18HP '57 Johnson HELP! - A Matter of Pride!

Cool....fix_it Thanks for the response. This should work out good.
 

freddyray21

Commander
Joined
Jun 10, 2006
Messages
2,460
Re: 18HP '57 Johnson HELP! - A Matter of Pride!

I still maintain for the money the minkuni pump is still the best way to go. They are 14 dollars cheaper and rebuildable. I just use a longer screw and mount them to the bypass cover.
 
Top