2000's 4.3 volvo

etech2008

Seaman Apprentice
Joined
Jul 4, 2010
Messages
36
Hello I am working on a 2000's 4.3 it starts and runs but it dies like you are turning off the key however it does not loose spark as it starts to die I go over and hold choke shut and it runs a little longer then dies.

I have been into the holly carb cleaned it out it looks good it has an electric fuel pump I was told during winterize battery may have been hooked up backwards

please help me troubleshoot thanks
 

ENSIGN

Lieutenant Junior Grade
Joined
Jun 21, 2009
Messages
1,179
Re: 2000's 4.3 volvo

Sounds like it's running out of gas when in the run position.Take a tempoary jumper from the battery positive terminal and connect it to the red wire on the fuel pump.See if it stays running.If so check the fuel pump fuse,relay and ignition module as this provides the siginal to keep the pump running.Any thing is possible if you hooked the battery up backwards.
 

Don S

Honorary Moderator Emeritus
Joined
Aug 31, 2004
Messages
62,321
Re: 2000's 4.3 volvo

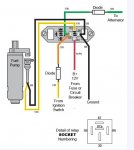
It sounds to me like the fuel pump runs when you start it, but not when the engine is running. Since power to the pump relay comes from the alternator, it may be the alternator is not working or a blown diode in the green wire from the alternator.
To test the engine to see if it runs, you can bypass the relay by making a jumper wire, remove the relay and jump between 87 and 30. The pump should run.

attachment.php
 

Attachments

  • Volvo fuel pump wiring.jpg
    Volvo fuel pump wiring.jpg
    52.6 KB · Views: 0

etech2008

Seaman Apprentice
Joined
Jul 4, 2010
Messages
36
Re: 2000's 4.3 volvo

Hey guys got off that project for a while sure enough the alternator was ****house I replaced it and same problem I'm going to replace the relay tomarrow. see where that gets me
 

Don S

Honorary Moderator Emeritus
Joined
Aug 31, 2004
Messages
62,321
Re: 2000's 4.3 volvo

Sounds to me like you are going to throw parts at it till you find the problem. If the relay was bad, it wouldn't start at all ....... think about it.
Did you check the diode in the green wire like I suggested earlier?
 
Top