'85 25hp evinrude Water tube and grommet

Trickle56

Seaman Apprentice
Joined
May 4, 2010
Messages
43
Alright first things first. I have replaced the water pump and have everything put back together and of course it doesn't pee. I rechecked the tell tale disconnecting it from the block and I can blow through it. The only thing I can think I could of screwed up was while I was reattaching the lower unit was getting the water tube and the grommet to sit back properly. My question is there a easy trick to get the water tube and the grommet together? Reason I say this is because by the time I get the tube close to sitting in the grommet I couldn't see. Because the lower unit and motor were basically back together.
 

Cofe

Lieutenant Commander
Joined
Apr 23, 2009
Messages
1,883
Re: '85 25hp evinrude Water tube and grommet

There is also a grommet on the top end of the water tube. The top one lets the water tube slide up and down in the exhaust housing. Will the water tube pull down any? It may be froze in the exhaust housing. You should be able to pull the water tube down a bit, then raise the lower unit in place and start a couple of bolts. Then reach inside with a couple of screwdrivers and push the water tube into the water pump grommet. Hope this helps ya...
 

Daviet

Fleet Admiral
Joined
Sep 24, 2008
Messages
8,958
Re: '85 25hp evinrude Water tube and grommet

Did you run a fine piece of wire through the elbow that the hose attaches to, to make sure it's not plugged?
 

Trickle56

Seaman Apprentice
Joined
May 4, 2010
Messages
43
Re: '85 25hp evinrude Water tube and grommet

Man thanks for the quick post. The only problem with my water tube was I couldn't pull it down of course I didnt really pull on it to much since it didn't seem very sturdy and didn't want to break it. Say it is froze where do I go from there?
 

Trickle56

Seaman Apprentice
Joined
May 4, 2010
Messages
43
Re: '85 25hp evinrude Water tube and grommet

Daviet my tell tale goes to a straight nipple on the block I haven't tried cleaning it out but I am able to blow back into it with out any problem.
 

Cofe

Lieutenant Commander
Joined
Apr 23, 2009
Messages
1,883
Re: '85 25hp evinrude Water tube and grommet

Man thanks for the quick post. The only problem with my water tube was I couldn't pull it down of course I didnt really pull on it to much since it didn't seem very sturdy and didn't want to break it. Say it is froze where do I go from there?

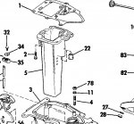
That top grommet is known to harden, and freeze in place. I have pulled the water tube out, and used a gun cleaning rod in a drill to remove the old chunks of carborized rubber. A coat hanger will also help to get it out. Here are a couple of pictures. In one, #7A is a washer that fits on the water tube. In the other pic, it shows the upper grommet #22, (which is the same as the lower grommet,) that fits in the exhaust housing. I recommend replacing that upper grommet, because it can all of a sudden leak, and you will think the water pump is broke.
 

Attachments

  • 25 exhaust.jpg
    25 exhaust.jpg
    142.3 KB · Views: 1
  • 25 Wpump.jpg
    25 Wpump.jpg
    14 KB · Views: 1

Trickle56

Seaman Apprentice
Joined
May 4, 2010
Messages
43
Re: '85 25hp evinrude Water tube and grommet

Thanks guys for the input.
 
Top