Blue Sea ACR with two batteries is not charging

Mi_fiveo

Petty Officer 2nd Class
Joined
Jul 22, 2018
Messages
115
My boat has developed an issue that I initially thought to be a failing alternator. I have a starting battery and a house battery with a Blue Sea ACR connecting them. My electrical connections/graphs are off a fuse panel connected to the house battery. Last year while trolling my house battery kept dropping to low voltages and I replaced the alternator thinking it was failing and not delivering consistent charging voltage. The house battery is about a year old and my starting battery is about 5 years old. I also have a 10 hp kicker motor that should in theory throw a charging voltage at the system while I’m running it and the main inboard engine is off. So today while fishing I kept getting low voltage alarms and showing around 11 volts while running the kicker motor. If I started the main engine the voltage would bump up to around 13 volts and it was fine. After a few hours of this the main engine no longer would bring the voltage back up and it dropped to around 11 again no matter which engine was running or if throttled up. I tried to use the combine battery position but it did not change anything. I haven’t had a chance to measure charging voltage at the alternator with a multimeter yet as the boat is now in my driveway. The only thing I can come up with is the starting battery is going bad and not allowing charging voltage to make it over to the house battery since the main alternator is new and the kicker motor throws charging voltage as well, last time I checked with a meter. Anything else come to mind for you experienced boaters?
 

dingbat

Supreme Mariner
Joined
Nov 20, 2001
Messages
17,075
The ACR will not combine the batteries until charge voltage exceeds 13 volts.

The ACR will not combine the batteries if one of them is below 12.3 volts.

I suspect your starting battery is on the way out or too deeply discharged to be combined

Bear in mind, the outboard is putting out next to nothing from a battery charging perspective. You could just be using more power than you’re replacing creating a deficit over time
 

Mi_fiveo

Petty Officer 2nd Class
Joined
Jul 22, 2018
Messages
115
I plan on removing and having both batteries load tested to see if one is bad. When I checked the voltage with a multimeter the starting showed 12.6 and the house showed 12.3 volts, after I got home. While looking at the wiring, I had a thought. I have the inboard + and kicker motor + connected to terminal B of the battery switch and the house battery/fuse panel are on terminal A. So the initial charge will be directed at the starting battery before sharing voltage with the house battery through the ARC that connects them. I think I am going to take the Kicker motor + and put it on the other side (A) so it throws its minimal charging voltage to the house battery/fuse panel before sharing any charging voltage with the starting battery on terminal B. I also redirected a - battery cable towards the common ground bolt on the back of the engine instead of connecting the battery -'s together. If that makes any sense.
 

dingbat

Supreme Mariner
Joined
Nov 20, 2001
Messages
17,075
While looking at the wiring, I had a thought. I have the inboard + and kicker motor + connected to terminal B of the battery switch and the house battery/fuse panel are on terminal A. So the initial charge will be directed at the starting battery before sharing voltage with the house battery through the ARC that connects them. I think I am going to take the Kicker motor + and put it on the other side (A) so it throws its minimal charging voltage to the house battery/fuse panel before sharing any charging voltage with the starting battery on terminal B.

I also redirected a - battery cable towards the common ground bolt on the back of the engine instead of connecting the battery -'s together. If that makes any sense.
Doesn’t make sense.
You need a common ground between the two batteries and the engine to complete the circuit and keep ground differentials to a minimum.

If you have the ground from the starting battery tied to the motor, where is the ground to the house battery tied to complete the circuit?

Ideally, you want - Off/On/Combine switch.

You put both engines on the + terminal and both on ground (-) terminals and let the ACR do its thing.
 

Mi_fiveo

Petty Officer 2nd Class
Joined
Jul 22, 2018
Messages
115
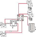
This is how it is wired. One engine is the Inboard and one is the 9.9hp 4 stroke kicker motor. This is directly from Blue Sea Systems. Previously there was a ground from the house battery to the other start battery. The start battery also had a ground wire to the common ground at the back of the engine. I removed the ground from the house battery and connected it to the common ground. Every ground now terminates at the same ground on the engine. I was referring to moving the + cable from the kicker motor to the other side so it throws charging voltage at the house battery before trying to combine and share voltage with the starting battery.
 

Attachments

  • 2015-2batt_2eng_2A.png
    2015-2batt_2eng_2A.png
    38.1 KB · Views: 8

bruceb58

Supreme Mariner
Joined
Mar 5, 2006
Messages
30,797
Does your ACR still have it's ground connected? Usually you run that ground wire through a fuse to ground.

The ACR has a yellow light that comes on bright yellow when it connects the two batteries. Does it come on eventually?

What battery voltage do you measure at each battery when the engine has been running for a couple minutes?
 

Mi_fiveo

Petty Officer 2nd Class
Joined
Jul 22, 2018
Messages
115
Yes the acr ground is connected with a fuse to the engine ground. Normally the green light comes on to indicate the acr has tripped and is charging the batteries. When I was losing voltage it kept dropping and the green light was not on. Once home, I connected a battery charger to one of the batteries and the green light came on, several hours later both batteries were fully charged. I removed both batteries today and had them load tested. Both tested good but I replaced the 7 year old starting battery anyway. It’s possible I started the day with the house battery mostly drained and it could never catch up on charging while running two graphs and a fish hawk while trolling with the 9.9 kicker. I will be testing both batteries with a voltmeter soon to see what they show with each of the engines running to make sure they are receiving charging voltage. Thanks for the help
 
Top