Moving on to the water pump

Beek14

Petty Officer 1st Class
Joined
Jul 5, 2008
Messages
218
I just replaced the impeller on my 78 25 hp Evinrude because there was no water flow. After installing it and replacing it, I tested in a tank. What I have now is water spraying out of the exhaust holes, but next to nothing out of the pee hole. When I put in in forward and crank it up it will start to squirt a stream or two for a second at a time and stop. When idling it doesn't squirt hardly at all (minor spray that can barely be seen). The exhaust cover on the powerhead is getting hot, which tells me it's not being cooled properly. I thought maybe the thermostat could be bad, but seeing that minor spray leads me to believe maybe it's not that at all. Maybe a clog? I've tried to look for any blockage, but can't seem to find any. Could I not have put the L U back in correctly and water is not being pumped to the powerhead properly? But if i'm getting some spray that shouldn't be the problem right? Could I have put the impeller in backwards? If i did that it shouldn't be pumping anything though right? P.S. I think I might need to replace the cylinder head gasket because of high idle and doesn't want to idle nice and low. Could that be linked to my water problem?
 

Daviet

Fleet Admiral
Joined
Sep 24, 2008
Messages
8,958
Re: Moving on to the water pump

How deep is the water in your tank, needs to be well above the pump housing.
 

5150abf

Vice Admiral
Joined
Aug 12, 2007
Messages
5,808
Re: Moving on to the water pump

I don't believe you can put a pump in backwards, being rubber they just go the direction they need to.

Second the water level, those aren't priming pumps, they need to be completely submerged top work.

I wouldn't just go replacing parts, get a compression gauge and check, if you have a bad head gasket it will show there, if you had a bad gasket it wouldn't idle at all or very low if it did.

I would really recommend you get an OEM manual for this, it will tell you exactly how to check all the things you want to check and comes with a really good trouble shooting section.
 

Beek14

Petty Officer 1st Class
Joined
Jul 5, 2008
Messages
218
Re: Moving on to the water pump

Compression is about 110 psi per cylinder. The water in the tank is just as high as if the outboard were to sit on a boat. I have a manual but it's not giving me many clues. I'm not so concerned about the idle right now as I am the water flow because I can't work on a running outboard if it isn't cooling!
 

wilde1j

Vice Admiral
Joined
Apr 15, 2002
Messages
5,964
Re: Moving on to the water pump

Have you checked the cylinder head temp to see if it's really overheating? The telltale is pretty useless for knowing that. Just touch the cylinder head while running. If it;s too hot to continue touching, then maybe it's overheating. Most outboards run ~ 140?F. An IR heat gun can tell you the actual metal temp for ~ $20.
 

Beek14

Petty Officer 1st Class
Joined
Jul 5, 2008
Messages
218
Re: Moving on to the water pump

So maybe you're saying that it's possible that it's only giving out as much water as it needs through the pee hole to keep the temp in check?
 

234rick

Petty Officer 3rd Class
Joined
Dec 13, 2009
Messages
75
Re: Moving on to the water pump

Did you make sure the key was in the impellar ?
 

Beek14

Petty Officer 1st Class
Joined
Jul 5, 2008
Messages
218
Re: Moving on to the water pump

Well that's the thing I'm wondering. I thought it was. But is it possible that if the key wasn't in, that it would still run trace amounts of water through?
 

wilde1j

Vice Admiral
Joined
Apr 15, 2002
Messages
5,964
Re: Moving on to the water pump

So maybe you're saying that it's possible that it's only giving out as much water as it needs through the pee hole to keep the temp in check?

No, not saying that at all. The telltale may be plugged with debris, etc., but it has no role in controlling how much water circulates and is only a crude indication that the pump is operating. That's why I said check to see if the engine is actually overheating.

If the key was omitted, the motor will certainly overheat.

The telltale is vastly overrated.
 

Beek14

Petty Officer 1st Class
Joined
Jul 5, 2008
Messages
218
Re: Moving on to the water pump

Can water pass through if impeller key is not in place with the impeller?? If so this would help me narrow down options. This could mean that's the problem.
 

kenmyfam

Supreme Mariner
Joined
Aug 10, 2006
Messages
14,398
Re: Moving on to the water pump

Can water pass through if impeller key is not in place with the impeller?? If so this would help me narrow down options. This could mean that's the problem.

Drop it again and check.
Safest way.
 

Beek14

Petty Officer 1st Class
Joined
Jul 5, 2008
Messages
218
Re: Moving on to the water pump

Yeah. I'll recheck it and post what happens.
 

wilde1j

Vice Admiral
Joined
Apr 15, 2002
Messages
5,964
Re: Moving on to the water pump

Can water pass through if impeller key is not in place with the impeller?? If so this would help me narrow down options. This could mean that's the problem.
The are lots of other possibilities ... that's just one. Such as:
. debris plugging cooling passageways
. grommet in pump outlet folded over during assembly of LU to midsection
. pump body not well sealed to wear plate
. water tube missed pump outlet during assembly
. etc, etc.
 

Beek14

Petty Officer 1st Class
Joined
Jul 5, 2008
Messages
218
Re: Moving on to the water pump

I am getting frustrated!:confused: I removed the L U and checked out the impeller. Now what I found was odd, but one of the pump vanes was facing one way, and another one was facing the other way. To me that tells me that maybe it is possible to put the impeller in backwards and it's fighting to spin on the right track. This time I made sure that the key was in the key hole on impeller and put it back together. I fired it up and same symptoms. Identical. And also yes the cylinder head is getting too hot to touch. Definitely overheating. ????????
 

Cofe

Lieutenant Commander
Joined
Apr 23, 2009
Messages
1,883
Re: Moving on to the water pump

Ok lets back up a little here.
You said that you were replacing the impeller because the tell tail had stopped.
When you removed your old impeller, was it torn up?
I am suspecting a plugged water passage.
Here is a pic of the water flow cycle.
 

Attachments

  • 2030 Waterflow.JPG
    2030 Waterflow.JPG
    128.5 KB · Views: 0

Beek14

Petty Officer 1st Class
Joined
Jul 5, 2008
Messages
218
Re: Moving on to the water pump

It was not torn up. One of the vanes was really cracked though right near the base, but was still connected. I'm thinking a plug is a possibility, but I have really almost been inside and out of this thing over the last couple days, and haven't been able to find one.
 

Cofe

Lieutenant Commander
Joined
Apr 23, 2009
Messages
1,883
Re: Moving on to the water pump

Did you put oil on the new water pump vanes?

Is the upper water tube grommet ok?

When the lower unit was off, have you tried hooking a garden hose up to the copper tube from the water pump?

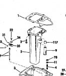
Here is a picture of your upper water tube guide #9 and the water tube grommet # 117. That upper grommet gets bad and leaks, or blocks off the water passage.
 

Attachments

  • Guide.jpg
    Guide.jpg
    47.8 KB · Views: 0

Beek14

Petty Officer 1st Class
Joined
Jul 5, 2008
Messages
218
Re: Moving on to the water pump

I did grease the new impeller. I did not hook up a hose (that's a good idea). I wouldn't be able to check that upper grommet without removing the powerhead right? That sounds like it could be a good possibility though.
 

Lion hunter

Lieutenant Commander
Joined
Apr 9, 2005
Messages
1,529
Re: Moving on to the water pump

Unless you just used a very, very light film of grease, that could be your problem. Grease doesn't dissolve in water. I just clumps up and lodges in the lines. Very 1st water pump I ever did I figured it to be a good idea to grease it a bit. I greased a bit much and had the same issue you are having. There wasn't enough pressure to push it out the pee tube either. Now I just use oil. Run some weedater string up the pee hole and see if it's clogged. A garden hose may blow it through if thats the problem.
 

cougar1985

Lieutenant Junior Grade
Joined
Oct 7, 2005
Messages
1,023
Re: Moving on to the water pump

I am getting frustrated!:confused: I removed the L U and checked out the impeller. Now what I found was odd, but one of the pump vanes was facing one way, and another one was facing the other way. To me that tells me that maybe it is possible to put the impeller in backwards and it's fighting to spin on the right track. This time I made sure that the key was in the key hole on impeller and put it back together. I fired it up and same symptoms. Identical. And also yes the cylinder head is getting too hot to touch. Definitely overheating. ????????
start all over again.disassemble,place impeller and key in position,coat pump housing mating surface with permatex avaition gasket sealer(look like molases).place housing over shaft and lower ,when you get to the impeller press firmly down on the housing while rotating the shaft clockwise by hand ,it will slip on ,boltup.i was totally bummed like you with a motor and it was driving me nuts,the trick is the sealer !trust me it works !i use it on every motor now wheter i think it needs it or not .
 
Top