Overheat buzzer wiring for 1983 Force 85HP

Plainoldguy

Cadet
Joined
Jul 10, 2018
Messages
26
I switched controls and ignition and I'm not sure how to wire my overheat buzzer. There are 2 wires connecting the buzzer-one is orange and I believe it connects to the sensor on the motor, but I'm not sure where to connect the other short black wire that extends from the buzzer. The buzzer is only a few inches from the ignition switch.
 

jkoppen73

Cadet
Joined
Jun 20, 2018
Messages
27
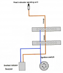
i'm looking at my 1986 wiring diagram, it shows the orange wire from buzzer to the thermoswitch, the other wire from buzzer to the 'I' terminal on the ignition switch
 

Tassie 1

Chief Petty Officer
Joined
Apr 13, 2018
Messages
584
In the clymers chrysler manual for 1983 on 75/85 on page 420 the diagram does not show black as the color as the earth but it probably is

the previous page for 1980 85 hp on does show black as going to a earth,

the shocking for me though is you say 1983 force,
The planet has stopped spinning, or whatever it does,
a force made in 1983??
l need a cuppa, scone and a good lie down after reading that
 

Plainoldguy

Cadet
Joined
Jul 10, 2018
Messages
26
Thanks to both. I think I'll try grounding it. Based on the first response I wonder if the "I" terminal on the ignition switch goes to ground? PS-I think 1983 was the first year for the 85 HP Force!
 

Tassie 1

Chief Petty Officer
Joined
Apr 13, 2018
Messages
584
I had thought 84 or 85 was the first years,
yeh, l know nit picking lol
but if there was a '83 l'd have to question other important milestones,
like WAS the first moon landing with astronauts really faked afterall??
l seen it, North Fawkner Primary school 1969
was the Meat pies, Kangaroos and Holden cars really just an advertising campaign and NOTthe national anthem??

my head hurts now...
 

kbh121956

Chief Petty Officer
Joined
Jun 30, 2013
Messages
498
Orange wire is your over heat buzzer. Black wire is your ground. The I terminal on a key switch is for powering accessories to be powered when the key is in the ON position.
 

jkoppen73

Cadet
Joined
Jun 20, 2018
Messages
27
if I could upload the diagram, it clearly shows the lead going to the I terminal. ( all the diagrams show this)
 

jbuote

Lieutenant Junior Grade
Joined
Aug 17, 2016
Messages
1,001
I'm admittedly a newbie in reality.

That said, are you sure the "Black" wire you see isn't blue?

In any event, most temp sensors I know of, will make contact with ground when you overheat, so it would make sense (in my mind anyway) that the orange from the temp sensor/sender would connect to the buzzer, then the other wire from buzzer would go to the "I" on ignition switch.

Power provided to buzzer from ignition switch when key is on, but the temp sensor isn't grounding the circuit.
No buzzing.

In an overheat, the sensor/sender closes, grounds the circuit, and Bingo! you have a buzzer sound.

Am I crazy? LOL

Sorry if what I just typed is useless... :D
 

74bayliner

Chief Petty Officer
Joined
Aug 23, 2011
Messages
607
jbuote is correct.
I am almost certain when i took my wiring apart the buzzer was connected to a blue wire on one end, and orange on the other.
 

Attachments

  • photo295410.png
    photo295410.png
    91.4 KB · Views: 8

jerryjerry05

Supreme Mariner
Joined
May 7, 2008
Messages
18,196
It doesn't matter where it's hooked as long as it's a HOT lead.
No power no buzz.

Test the buzzer as you can hook it backwards and it not work.
I use motorcycle horns even car horns when my old buzzer quit.
Much louder too.
You can wire then backwards too so test.
Just ground the orange lead and it should sound off.
 

Plainoldguy

Cadet
Joined
Jul 10, 2018
Messages
26
Thanks for all the input on this question. I'm going to follow Jerry's advice and test it by reversing the wiring to see if it buzzes and I'll post the results to confirm which connection was successful.
 

jerryjerry05

Supreme Mariner
Joined
May 7, 2008
Messages
18,196
YEA!! after almost 14K posts I got one right!!! :)

Yea if it doesn't buzz after trying both ways on a battery it's probably dead.
Remember a motorcycle/car horn will work way better than that tiny buzzer.
 
Top