FourWinnsLC
Seaman
- Joined
- May 28, 2012
- Messages
- 59
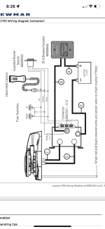
So I followed the schematic that came from Lewmar to wire my windless, but it does not say anything about wiring it to a switch. Only to a battery.
I have one wire going from neg side of the solenoid to the negative on my house battery.
The second wire goes from
Positive side of the solenoid, to the breaker, then out the breaker to the switch.
I am not sure what Stud to use on the switch, what I did was followed the positive wire from my house battery up to the switch and used that stud to Connect the wire coming from the breaker.
But now the windless still works when the switch is off.
Suggestions?
I have one wire going from neg side of the solenoid to the negative on my house battery.
The second wire goes from
Positive side of the solenoid, to the breaker, then out the breaker to the switch.
I am not sure what Stud to use on the switch, what I did was followed the positive wire from my house battery up to the switch and used that stud to Connect the wire coming from the breaker.
But now the windless still works when the switch is off.
Suggestions?
